Penelope: main sensors
The main sensors of Penelope are arranged on the
five boards that are mounted around the robot (on the
left, front-left, front, front-right and right sides).
Here is a side view of these boards:
|
 |
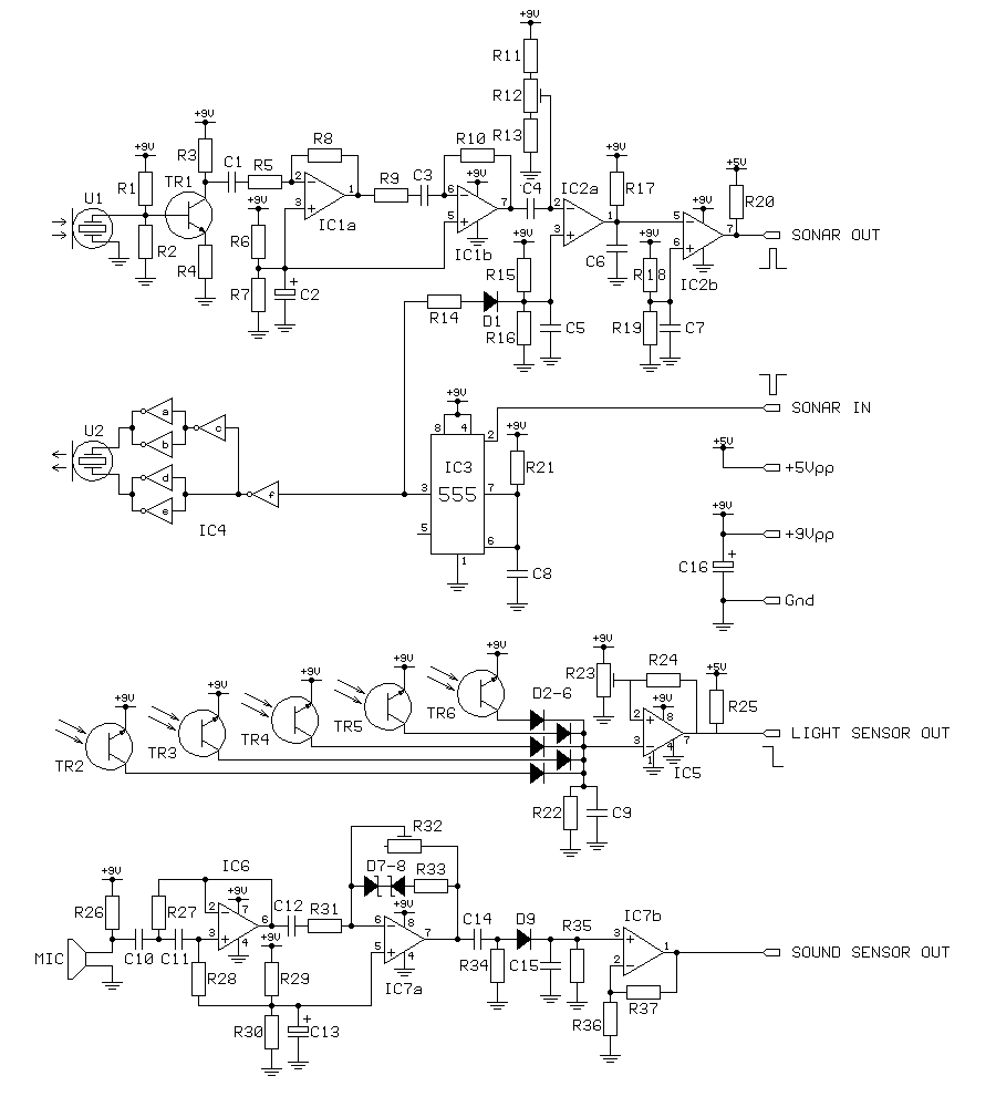
- Sonar: is made of two 40 kHz ultrasonic
transducers; one sends a "ping" and the other
receives the echo reflected by an obstacle ahead.
The distance of this obstacle is estimated by the
microcontroller, measuring the time interval between sent
and received pulses (sound velocity in dry air is roughly
330 m/sec).
IC3 generates the output pulse that is boosted by IC4 and
transmitted by the ultrasonic transducer U2.
The echo is received by U1 and amplified by TR1, IC1a and
IC1b. IC2a detects the actual reflections and its
sensitivity can be adjusted with R12. IC2b is a low pass
filter that finally removes the 40 kHz frequency and
outputs a clean digital pulse.
A main problem in this device is the direct wave that
runs from the emitter directly to the receiver, because
it generates a signal that can mask the real echoes. In
order to minimize this effect, the following measures
have been adopted:
- mount the ultrasonic transmitter and receiver as
close as possible, so that the direct wave
affects only the very early part of the echoes
- break down the direct wave by adjusting the nylon
screw shown in the picture
- reduce IC2a sensitivity during the arrival of the
direct wave, through the network R14, D1, R15,
R16, C5.
- Light sensor: TR1-TR6 are very efficient
photo-transistors because they mount a small lens on top
of their cases, therefore they are very sensitive to
lights placed direcly in front of them and less disturbed
by the environmental light.
IC5 is a comparator that squares the output and its
sensitivity can be adjusted with R23.
- Sound sensor: the small microphone is mounted
inside a plastic funnel that increases the directional
sensitivity.
IC6 is a selective 4 kHz filter (the frequency generated
by the sound sources during the competition).
IC7a is an amplifier and its sensitivity can be adjusted
with R32; its gain varies also according to the signal
intensity through the network D7, D8, R33, so that the
weaker is the signal, the higher is the amplification.
Finally, D9 and C15 act as a low pass filter and pass to
the last amplifier IC7b a tension that is proportional to
the sound intensity.
Parts list:
Sonar
R1,10,11,13 ... 100 kohm
R2 ............ 6.8 kohm
R3 ............ 3.3 kohm
R4 ............. 27 ohm
R5 .............. 1 kohm
R6-8,18-20 ..... 10 kohm
R9 ............ 3.9 kohm
R12 ............ 20 kohm - trimmer
R14 ........... 150 ohm
R15-17 ......... 33 kohm
R21 ........... 2.2 kohm
C1,4 ........... 10 nF
C2,7 ........... 10 uF - electrolytic
C3 .............. 1 nF
C5 ............. 47 nF
C6 ............ 4.7 nF
C7 ............ 100 uF - electrolytic
C8 ............ 1.2 nF
D1 ............ 1N4149
TR1 ........... BC109
IC1 ........... LM358
IC2 ........... LM393
IC3 ........... NE555
IC4 ........... CD4049
U1 ............ ultrasonic transducer, receiver - 40kHz
U2 ............ ultrasonic transducer, transmitter - 40kHz
SCREW ......... nylon screw, 3x20mm
Light Sensor
R22 ............ 10 Mohm
R23 ........... 100 kohm - trimmer
R24 ............. 1 Mohm
R25 ............ 10 kohm
C9 ............ 4.7 nF
D2-6 .......... 1N4148
TR2-6 ......... TIL81 - NPN phototransistor
IC5 ........... LM311
Sound Sensor
R26 ............ 15 kohm
R27,36 ......... 12 kohm
R28 ............ 22 kohm
R29,30,34,37 ... 10 kohm
R31,33 .......... 1 kohm
R32 ........... 200 kohm - trimmer
R35 ........... 220 kohm
C10,11 ........ 3.3 nF
C12,14 ........ 100 nF
C13 ............ 10 uF - electrolytic
C15 ........... 470 nF
D7-8 .......... zener diode - 2.7V - 1/4W
D9 ............ 1N4148
IC6 ........... LM741
IC7 ........... LM358
MIC ........... electret sub-miniature microphone (inside the
funnel)
FUNNEL ........ plastic funnel (mounted through the PCB)
Email: riccardo.rocca@hotmail.com
Back to Penelope main
page